XOL(Lubricator)
SERIES: XO Series F.R.L
XOL(Lubricator)
FEATURES
The direct constant-density lubricator add regulatd quantity oil to the compressed air.A valve maintains oil mist content proportional to the compressed oil flow.The pressure drop that occurs when the air flow through a sight feed oil cup delives oil fnom the bowl to the sight oil indicator.The drop of the oil flows into the air channel when it is atomized.
The oil drip rate is controlled by means of the regulating screw.Normally,1 to 12 drops/1000L of the air is sufficient.
Ordering Code
Specification
| Lubricators |
MINI |
MIDI |
MAXI |
|||||
|
|
XOL-1/8-MINI |
XOL-1/4-MINI | XOL-3/8-MINI | XOL-3/8-MIDI | XOL-1/2-MIDI | XOL-3/4-MIDI | XOL-3/4-MAXI | XOL-1-MAXI |
| Medium | Compressed air | |||||||
| Features of structure | Sintered filter with water spartor The direct Constant-density Lubricator | |||||||
| Mounting type | Pipe mounting or foot mounting | |||||||
| Assembly position | Vertical±5° | |||||||
| Connection | G1/8" | G1/4" | G3/8" | G3/8" | G1/2" | G3/4" | G3/4" | G1" |
| Standard nominal flow rate | 1300 | 2300 | 2700 | 5500 | 6100 | 6300 | 8400 | 9000 |
| Max.Working pressure | 16bar | |||||||
| Min.Standard nominal flow rate | 3L/min | 6L/min | 10L/min | |||||
| Max.condensate capacity | 22ml | |||||||
| Timperature range | 0~60℃ | |||||||
| Materials information | Housing:Zinc die-casting;Oil bowl and Drip cap :PC;Metal bowl guard:Aluminium alloy;Sealing:NBR | |||||||
| Recommended oil | ISO VG 32 or the same grade | |||||||
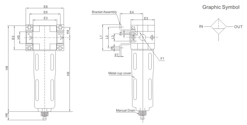
Overall Dimensions
| Model |
E3 |
E4 |
E7 | F1 | F4 | F5Φ | L1 | L2 | L3 | H2 | H4 |
L5 |
| XOL-...-MINI |
40 |
39 | 2 | G1/8",G1/4",G3/8" | M4 | 4.5 | 44 | 35 | 11 | 169 | 17.5 | 20 |
| XOL-...-MIDI | 55 | 47 | 3 | G1/8",G1/2",G3/4" | M5 | 5.5 | 71 | 60 | 22 | 206 | 30 | 32 |
| XOL-...-MAXI | 66 | 53 | 3 | G3/4",G1" | M5 | 5.5 | 71 | 60 | 22 | 226 | 30 | 32,40 |
Other info


