|
|
Double Action |
|
|
Air |
|
|
Adjustable Buffer |
|
|
0.1~0.9MPa |
|
|
1.35MPa |
|
|
-5~70℃ |
|
Bore(mm) |
32 |
40 |
50 |
63 |
80 |
100 |
125 |
160 |
200 |
|
Motion Pattern |
Double Action |
||||||||
|
Working Medium |
Air |
||||||||
|
Fixed Type |
Normal type FA/Type FB/Type CA/Type CB/Type SDB/Type LB/Type TC/Type |
||||||||
|
Working Pressure Range |
0.1~0.9MPa |
||||||||
|
Ensured Pressure Resistance |
1.35MPa |
||||||||
|
Operating Temperature Range |
-5~70℃ |
||||||||
|
Operating Speed Range |
50~800mm/s |
||||||||
|
Buffer Type |
Adjustable Buffer |
||||||||
|
Buffer Stroke |
24 |
32 |
|||||||
|
Port Size |
G1/8" |
G1/4" |
G3/8" |
G1/2" |
G3/4" |
||||
|
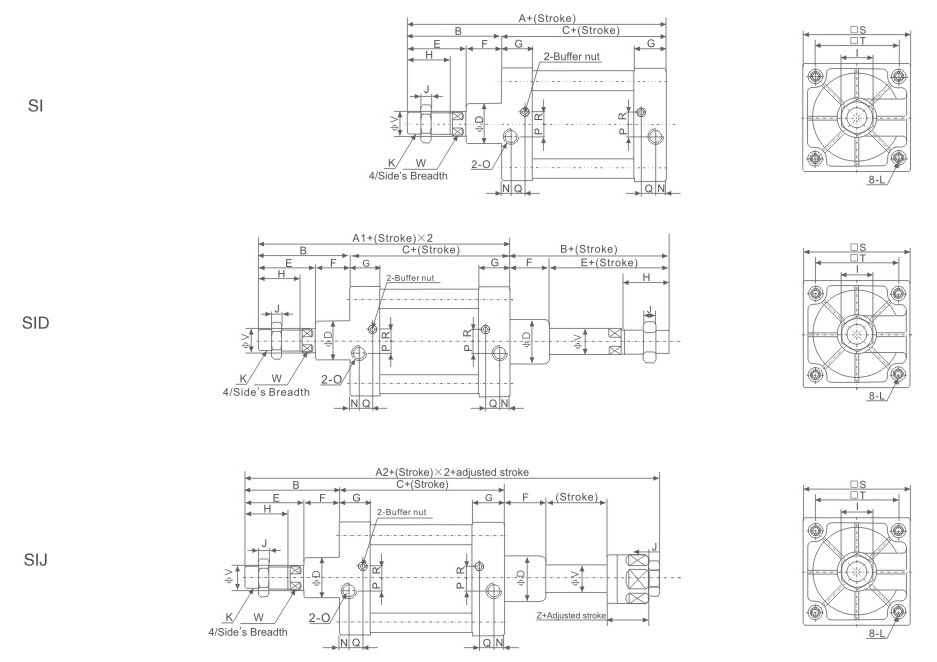
Bore/Symbol |
A |
A1 |
A2 |
B |
C |
D |
E |
F |
G |
H |
I |
J |
K |
L |
|
32 |
142 |
190 |
185 |
48 |
94 |
30 |
32 |
16 |
27.5 |
22 |
17 |
6 |
M10×1.25 |
M6 |
|
40 |
159 |
213 |
205 |
54 |
105 |
35 |
36 |
18 |
29 |
24 |
19 |
7 |
M12×1.25 |
M6 |
|
50 |
175 |
244 |
231 |
70 |
105 |
40 |
45 |
25 |
30 |
32 |
24 |
8 |
M16×1.5 |
M8 |
|
63 |
190 |
259 |
245 |
70 |
120 |
45 |
46 |
24 |
3 |
32 |
24 |
8 |
M16×1.5 |
M8 |
|
80 |
214 |
300 |
283 |
86 |
128 |
45 |
56 |
30 |
35 |
40 |
30 |
10 |
M20×1.5 |
M10 |
|
100 |
229 |
320 |
298 |
89 |
138 |
55 |
57 |
32 |
36 |
40 |
30 |
10 |
M20×1.5 |
M10 |
|
125 |
279 |
398 |
368 |
118 |
160 |
60 |
73 |
45 |
46 |
54 |
41 |
10 |
M27×2 |
M12 |
|
160 |
332 |
484 |
448 |
152 |
180 |
65 |
94 |
58 |
50 |
72 |
55 |
18 |
M36×2 |
M16 |
|
200 |
337 |
494 |
452 |
157 |
180 |
75 |
100 |
51 |
51 |
72 |
55 |
18 |
M36×2 |
M16 |
|
Bore/Symbol |
N |
O |
P |
Q |
R |
S |
T |
V |
W |
Z |
|
32 |
13.5 |
G1/8" |
4 |
7.5 |
7 |
47 |
32.5 |
12 |
10 |
21 |
|
40 |
16 |
G1/4" |
6 |
8.5 |
9 |
53 |
38 |
16 |
13 |
21 |
|
50 |
15.5 |
G1/4" |
8.5 |
7.5 |
7.5 |
65 |
46.5 |
20 |
17 |
23 |
|
63 |
16.5 |
G3/8" |
7.5 |
8.5 |
9 |
75 |
56.5 |
20 |
17 |
23 |
|
80 |
16.5 |
G3/8" |
11 |
8.5 |
13.5 |
95 |
72 |
25 |
22 |
29 |
|
100 |
18.5 |
G1/2" |
13.5 |
9.5 |
14.5 |
115 |
89 |
25 |
22 |
29 |
|
125 |
23 |
G1/2" |
14 |
12 |
14 |
140 |
110 |
32 |
28 |
35 |
|
160 |
25 |
G3/4" |
15 |
12 |
20 |
180 |
140 |
40 |
36 |
40 |
|
200 |
25 |
G3/4 |
15 |
12 |
20 |
220 |
175 |
40 |
36 |
40 |
|
|
|
|
|
Cylinder inside Diameter
|
Extern
Diameter
of Piston Rod
|
Mation Patterm
|
Compression |
Air Pressure(kgf/cm2)
|
|||||||||
|
1
|
2
|
3
|
4
|
5
|
6
|
7
|
8
|
9
|
|||||
|
32
|
12
|
Double Action
|
Press Side
|
8.04
|
8.04
|
16.08
|
24.12
|
32.16
|
40.20
|
48.24
|
56.28
|
64.32
|
72.36
|
|
Pull Side
|
6.90
|
6.90
|
13.80
|
20.07
|
27.60
|
34.50
|
41.40
|
48.30
|
55.20
|
62.10
|
|||
|
40
|
16
|
Double Action
|
Press Side
|
12.56
|
12.56
|
25.12
|
37.68
|
50.24
|
62.80
|
75.36
|
87.92
|
100.24
|
113.04
|
|
Pull Side
|
10.55
|
10.55
|
21.10
|
31.65
|
42.20
|
52.75
|
63.30
|
73.85
|
84.40
|
94.95
|
|||
|
50
|
20
|
Double Action
|
Press Side
|
19.63
|
19.63
|
39.26
|
58.89
|
78.52
|
98.15
|
117.78
|
137.41
|
157.04
|
176.67
|
|
Pull Side
|
16.49
|
16.49
|
32.98
|
49.47
|
65.96
|
82.45
|
98.94
|
115.43
|
139.92
|
148.41
|
|||
|
63
|
20
|
Double Action
|
Press Side
|
31.17
|
31.17
|
62.34
|
93.51
|
124.68
|
155.85
|
187.02
|
218.19
|
249.36
|
280.53
|
|
Pull Side
|
28.03
|
28.03
|
56.06
|
84.09
|
112.12
|
140.15
|
168.18
|
196.21
|
224.24
|
252.27
|
|||
|
80
|
25
|
Double Action
|
Press Side
|
50.26
|
50.26
|
100.52
|
150.78
|
201.04
|
251.30
|
301.56
|
351.82
|
402.08
|
452.34
|
|
Pull Side
|
45.36
|
45.36
|
90.72
|
136.08
|
181.44
|
226.80
|
272.16
|
317.52
|
326.88
|
408.24
|
|||
|
100
|
25
|
Double Action
|
Press Side
|
78.53
|
78.53
|
157.06
|
235.59
|
314.12
|
392.65
|
471.18
|
428.82
|
628.24
|
706.77
|
|
Pull Side
|
71.47
|
71.47
|
142.94
|
214.41
|
285.88
|
357.35
|
428.82
|
500.29
|
517.76
|
643.43
|
|||
|
125
|
32
|
Double Action
|
Press Side
|
122.72
|
122.72
|
245.44
|
368.16
|
490.88
|
613.60
|
736.32
|
859.04
|
981.76
|
1104.48
|
|
Pull Side
|
114.68
|
114.68
|
229.36
|
344.04
|
458.72
|
573.40
|
688.08
|
802.76
|
917.44
|
1032.12
|
|||
|
160
|
40
|
Double Action
|
Press Side
|
201.06
|
201.06
|
402.12
|
603.18
|
804.24
|
1005.30
|
1206.36
|
1407.42
|
1608.48
|
1809.54
|
|
Pull Side
|
188.49
|
188.49
|
376.98
|
565.47
|
753.96
|
942.45
|
1130.94
|
1319.43
|
1507.92
|
1696.41
|
|||
|
200
|
40
|
Double Action
|
Press Side
|
314.16
|
314.16
|
628.32
|
942.48
|
1256.64
|
1570.80
|
1884.96
|
2199.12
|
2513.28
|
2827.44
|
|
Pull Side
|
301.57
|
301.57
|
603.14
|
904.71
|
1206.28
|
1507.80
|
1809.42
|
2100.99
|
2412.56
|
2714.13
|
|||
|
Bore(mm) |
Standard Stroke |
Max.Stroke |
Permissible Stroke |
|
32
|
25 50 75 80 100 125 160 175 200 250 300 350 400 450 500
|
1000
|
2000
|
|
40
|
25 50 75 80 100 125 160 175 200 250 300 350 400 450 500 600 700 800
|
1200
|
2000
|
|
50
|
25 50 75 80 100 125 160 175 200 250 300 350 400 450 500 600 700 800 900 1000
|
1200
|
2000
|
|
63
|
25 50 75 80 100 125 160 175 200 250 300 350 400 450 500 600 700 800 900 1000
|
1500
|
2000
|
|
80
|
25 50 75 80 100 125 160 175 200 250 300 350 400 450 500 600 700 800 900 1000
|
1500
|
2000
|
|
100
|
25 50 75 80 100 125 160 175 200 250 300 350 400 450 500 600 700 800 900 1000
|
1500
|
2000
|
|
125
|
25 50 75 80 100 125 160 175 200 250 300 350 400 450 500 600 700 800 900 1000
|
1500
|
2000
|
|
160
|
25 50 75 80 100 125 160 175 200 250 300 350 400 450 500 600 700 800 900 1000
|
1500
|
2000
|
|
200
|
25 50 75 80 100 125 160 175 200 250 300 350 400 450 500 600 700 800 900 1000
|
1500
|
2000
|



